當前位置: 滾珠絲桿網 ? 6310滾珠絲桿 ? DFV6310滾珠絲桿
DFV6310滾珠絲桿
雷研精密傳動設備有限公司供應DFV6310滾珠絲桿【貨源充足、價格合理、原裝正品、品牌齊全】請需要DFV6310滾珠絲杠的朋友聯系:黃志杰(經理)? 聯系電話:15802034588。
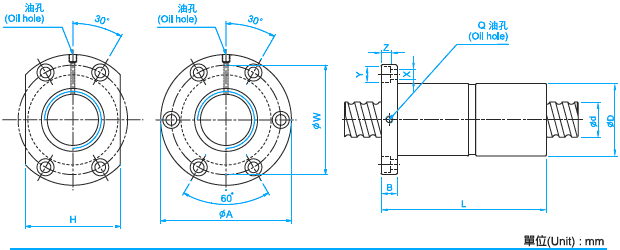
DFV6310滾珠絲杠參數
型號:DFV6310
絲桿外徑:63
導程:10
珠徑:6.35
螺母外徑:108
法蘭直徑:154
法蘭的厚度:22
螺母的長度:195
安裝孔之間的距離:130
法蘭的寬度:110
珠圈數:4.8×1
動額定負荷:7860
靜額定負荷:30430
剛性:172。
【滾珠絲桿精度】
ISO 3408-4為基準,根據使用范圍及要求將滾珠絲桿副分為定位滾珠絲桿副(P),傳動滾珠絲桿副(T),精度分為1,2,3,4,5,7,10共七個等級,1級為最高,依次逐漸降低。
【安裝部位精度測試方法】
軸徑相對于螺桿支持部位的跳動。
測試時置滾珠絲桿于AA處V型墊鐵上,同時讓兩塊千分表的測頭分別垂直接觸軸徑的圓柱表面,緩緩轉動絲桿,記下兩塊千分表讀數的變化范圍,取兩塊表讀數最大插枝,既是所要得到的偏差值,然后通過校驗儀器對絲桿進行校驗,通過對絲桿的壓制,使這個偏差值在允許范圍內即可。
瀏覽DFV6310滾珠絲桿的用戶還會?
DFV4020滾珠絲桿、DFV5020滾珠絲杠等。
滾珠絲杠討論①群263545937(專家在線為你解答)歡迎你的加入!
版權所有 © 轉載時必須以鏈接形式注明作者和原始出處!


